
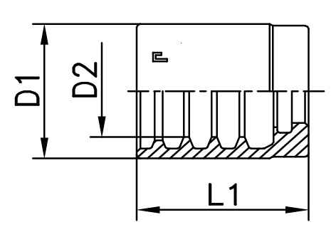
Anyaga: acél
Felületkezelés: galvanikus bevonat
Toate specificaţiile cuprinse în catalogul nostru se bazează pe datele standardelor în vigoare şi pe prevederile asociaţiilor profesionale.Produsele noastre se află într-un proces de permanentă dezvoltare, motiv pentru care poate să existe modificări.