Suport și informații pentru Romania:

Suport și informații
NOU

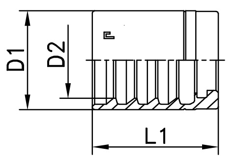
1SN-1SC-2SC DN05=3/16" HIDRAULIKA TÖMLŐ ROPPANTÓ HÜVELY, HÁNTOLÁS MENTES (CAST ITALY)

Numar articol: 
YUH1-05CAST

D1=18mm

D2=12,2mm

L1=23,5mm

Ajánlott préselési érték: 14,2-14,6mm

Detalii

YUH1-06CAST.jpg

Anyaga: acél

Felületkezelés: galvanikus bevonat


Toate specificaţiile cuprinse în catalogul nostru se bazează pe datele standardelor în vigoare şi pe prevederile asociaţiilor profesionale.Produsele noastre se află într-un proces de permanentă dezvoltare, motiv pentru care poate să existe modificări.

Limba si moneda
Se incarca...
Se incarca...
Autentificare
Parola uitata
Se incarca...
Categorii
Elemente de meniu